产品中心

首页 >> 产品中心
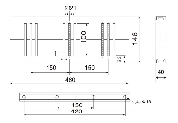
 AMJ8母线夹