产品中心

首页 >> 产品中心
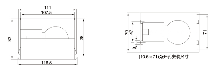
 CM1柜内照明