产品中心

首页 >> 产品中心
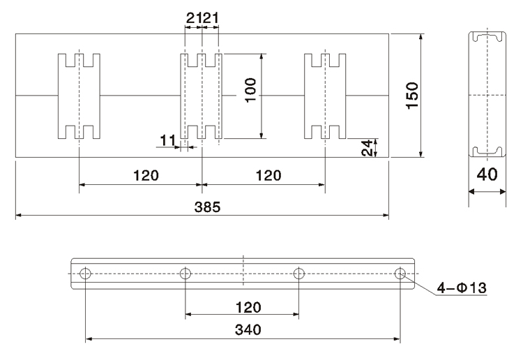
 PMJ5B-3X3绝缘母线框(九孔)