首 页
公司简介
产品中心
资质荣誉
新闻资讯
客户服务
联系我们
产品列表
CX系列母线夹配件
垂直母线夹
CX系列母线夹
CX系列母线夹 绝缘子
各类母线框(夹)系列
各类母线框(夹)系列
绝缘子系列
抽屉拉手、侧控板系列
活门、封闭罩、通风橱、眉头系列
母线槽配件系列
标志框、观察框系列
接线盒、分线盒、电表架系列
连接片、照明灯、电缆夹等高压柜配件系列
一、二次接插件系列
密封条、护线圈
联系方式
地址:浙江省乐清市北白象赵家硐工业区
陈先生:18969727769
林女士:15957732500
产品中心
首页
>> 产品中心
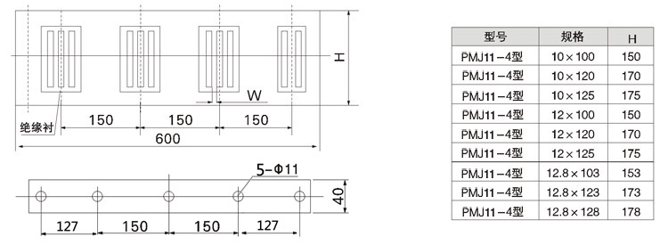
PMJ11-4型3X3绝缘母线框
友情链接:
各类母线框(夹)系列
绝缘子系列
抽屉拉手、侧控板系列
活门、封闭罩、通风橱、眉头系列
母线槽配件系列
标志框、观察框系列
接线盒、分线盒、电表架系列
连接片、照明灯、电缆夹等高压柜配件系列
一、二次接插件系列