产品中心

首页 >> 产品中心
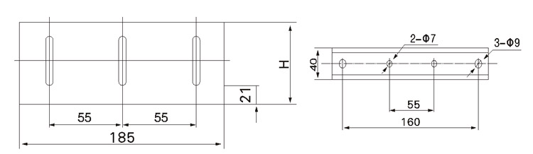
 垂直母排夹(常州型)